Non ci sono articoli nel tuo carrello
SCHEDA ARTICOLO

29256

CUSCINETTO
Codice: 87554
Disponibilità: Disp. limitata
Disponibilità: 3 disponibile
Marca: SKF
Unità di misura: NR
Quantitativi ammessi: multipli di 1X
Da preventivare

Descrizione

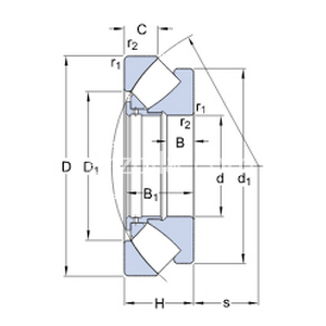
Dimensioni: Foro: 280 mm Diametro: 380 mm Spessore: 60 mm


Dettagli

  • EAN-Code : 07316576609619
  • Taric number : 84823000

Dimensioni
d 280mm
D 380mm
H 60mm
d1370mm
D1323mm
B 19mm
B1 57mm
C 30.5mm
s 150mm
r1,2min.2.1mm
Dimensioni Dello Spallamento
damin.325mm
Damax.347mm
ramax.2mm
Dati Di Calcolo
Coefficiente di carico dinamicoC 863kN
Coefficiente di carico statico di baseC0 4000kN
Carico limite di faticaPu 375kN
Velocità di riferimento  1000r/min
Velocità limite  1700r/min
Fattore per il carico assiale minimoA 1.5 
Massa
Massa cuscinetto  19.5kg