Non ci sono articoli nel tuo carrello
SCHEDA ARTICOLO

29322 E

CUSCINETTO
Codice: 01919
Disponibilità: Non disponibile
Disponibilità: Disponibile
Marca: SKF
Unità di misura: NR
Quantitativi ammessi: multipli di 1X
€865,47

Descrizione

Dimensioni: Foro: 110 mm Diametro: 190 mm Spessore: 48 mm Peso: 5,335 kg


Dettagli

  • EAN-Code : 07316576608926
  • Taric number : 84823000

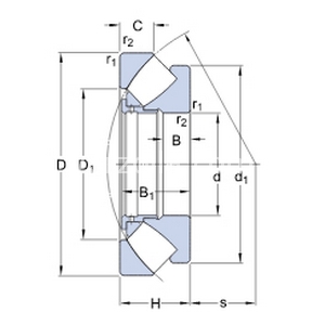
Dimensioni
d 110mm
D 190mm
H 48mm
d1171mm
D1140mm
B 30.3mm
B1 41.7mm
C 24.8mm
s 63.8mm
r1,2min.2mm
Dimensioni Dello Spallamento
damin.145mm
db1max.117mm
db2max.117mm
Damax.164mm
ramax.2mm
Dati Di Calcolo
Coefficiente di carico dinamicoC 610kN
Coefficiente di carico statico di baseC0 1730kN
Carico limite di faticaPu 204kN
Velocità di riferimento  1900r/min
Velocità limite  3200r/min
Fattore per il carico assiale minimoA 0.28 
Massa
Massa cuscinetto  5.3kg