Non ci sono articoli nel tuo carrello
SCHEDA ARTICOLO

29338 E

CUSCINETTO
Codice: 28660
Disponibilità: Disp. limitata
Disponibilità: 2 disponibile
Marca: SKF
Unità di misura: NR
Quantitativi ammessi: multipli di 1X
€2446,51

Descrizione

Dimensioni: Foro: 190 mm Diametro: 320 mm Spessore: 78 mm Peso: 22,9 kg


Dettagli

  • EAN-Code :
  • Taric number : 84823000

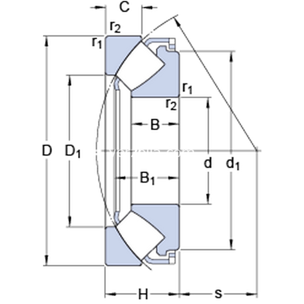
Dimensioni
d 190mm
D 320mm
H 78mm
d1285mm
D1244mm
B 49mm
B1 71.3mm
C 36mm
s 110mm
r1,2min.4mm
Dimensioni Dello Spallamento
damin.250mm
db1max.200mm
db2max.211mm
Damax.280mm
ramax.3mm
Dati Di Calcolo
Coefficiente di carico dinamicoC 1630kN
Coefficiente di carico statico di baseC0 4750kN
Carico limite di faticaPu 490kN
Velocità di riferimento  1100r/min
Velocità limite  1900r/min
Fattore per il carico assiale minimoA 2.1 
Massa
Massa cuscinetto  23.5kg