Non ci sono articoli nel tuo carrello
SCHEDA ARTICOLO

3205 A-2RS1TN9/MT33

CUSCINETTO
Codice: 50156
Disponibilità: disponibile
Disponibilità: 315 disponibile
Marca: SKF
Unità di misura: NR
Quantitativi ammessi: multipli di 1X
€42,87

Descrizione

Dimensioni: Foro: 25 mm Diametro: 52 mm Spessore: 20,6 mm Peso: 0,1775 kg


Dettagli

  • EAN-Code : 07316570684759
  • Taric number : 84821090

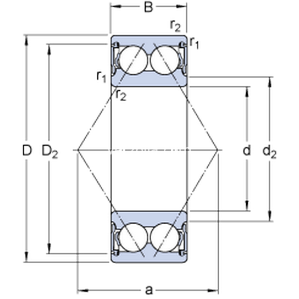
Dimensioni
d 25mm
D 52mm
B 20.6mm
d232.7mm
D245.9mm
r1,2min.1mm
a 30mm
Dimensioni Dello Spallamento
damin.30.6mm
damax.32.5mm
Damax.46.4mm
ramax.1mm
Dati Di Calcolo
Coefficiente di carico dinamicoC 21.6kN
Coefficiente di carico statico di baseC0 14.3kN
Carico limite di faticaPu 0.6kN
Velocità limite  8500r/min
Fattore di calcolokr 0.06 
Fattore di calcoloe 0.8 
Fattore di calcoloX 0.63 
Fattore di calcoloY0 0.66 
Fattore di calcoloY1 0.78 
Fattore di calcoloY2 1.24 
Massa
Massa cuscinetto  0.18kg