Non ci sono articoli nel tuo carrello
SCHEDA ARTICOLO

3206 A-2RS1/MT33

CUSCINETTO
Codice: R3276
Disponibilità: disponibile
Disponibilità: 123 disponibile
Marca: SKF
Unità di misura: NR
Quantitativi ammessi: multipli di 1X
Da preventivare

Descrizione

Dimensioni: Foro: 30 mm Diametro: 62 mm Spessore: 23,8 mm Peso: 0,295 kg


Dettagli

  • EAN-Code : 07316571484075
  • Taric number : 84821090

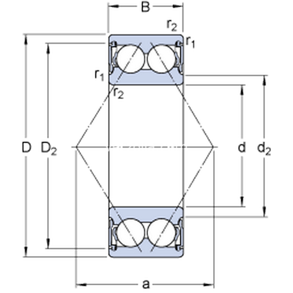
Dimensioni
d 30mm
D 62mm
B 23.8mm
d238.7mm
D255.15mm
r1,2min.1mm
a 36mm
Dimensioni Dello Spallamento
damin.35.6mm
damax.38.5mm
Damax.56.4mm
ramax.1mm
Dati Di Calcolo
Coefficiente di carico dinamicoC 30kN
Coefficiente di carico statico di baseC0 20.4kN
Carico limite di faticaPu 0.865kN
Velocità limite  7500r/min
Fattore di calcolokr 0.06 
Fattore di calcoloe 0.8 
Fattore di calcoloX 0.63 
Fattore di calcoloY0 0.66 
Fattore di calcoloY1 0.78 
Fattore di calcoloY2 1.24 
Massa
Massa cuscinetto  0.29kg