Non ci sono articoli nel tuo carrello
SCHEDA ARTICOLO

3208 A

CUSCINETTO
Codice: B5570
Disponibilità: Disp. limitata
Disponibilità: 3 disponibile
Marca: SKF
Unità di misura: NR
Quantitativi ammessi: multipli di 1X
€71,96

Descrizione

Dimensioni: Foro: 40 mm Diametro: 80 mm Spessore: 30,2 mm Peso: 0,5898 kg


Dettagli

  • EAN-Code : 07316571185477
  • Taric number : 84821090

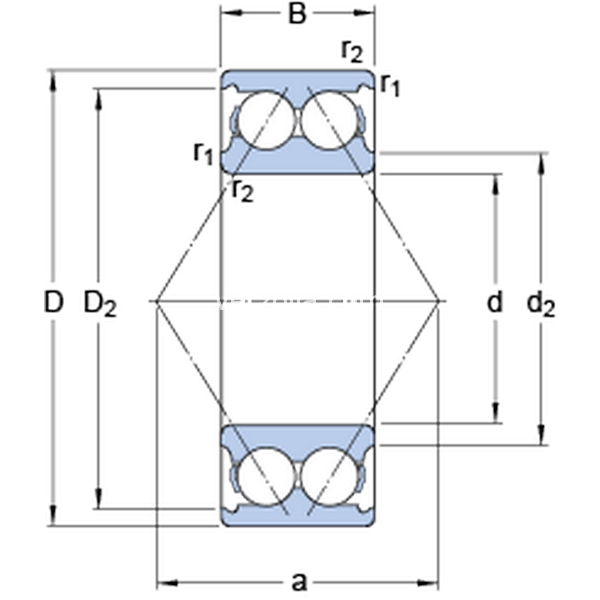
Dimensioni
d 40mm
D 80mm
B 30.2mm
d247.8mm
D272.1mm
r1,2min.1.1mm
a 46mm
Dimensioni Dello Spallamento
damin.47mm
Damax.73mm
ramax.1mm
Dati Di Calcolo
Coefficiente di carico dinamicoC 48kN
Coefficiente di carico statico di baseC0 36.5kN
Carico limite di faticaPu 1.56kN
Velocità di riferimento  9000r/min
Velocità limite  8000r/min
Fattore di calcolokr 0.06 
Fattore di calcoloe 0.8 
Fattore di calcoloX 0.63 
Fattore di calcoloY0 0.66 
Fattore di calcoloY1 0.78 
Fattore di calcoloY2 1.24 
Massa
Massa cuscinetto  0.57kg