Non ci sono articoli nel tuo carrello
SCHEDA ARTICOLO

3210 A-2Z/MT33

CUSCINETTO
Codice: E3909
Disponibilità: disponibile
Disponibilità: 28 disponibile
Marca: SKF
Unità di misura: NR
Quantitativi ammessi: multipli di 1X
Da preventivare

Descrizione

Dimensioni: Foro: 50 mm Diametro: 90 mm Spessore: 30,2 mm Peso: 0,68 kg


Dettagli

  • EAN-Code : 07316571821849
  • Taric number : 84821090

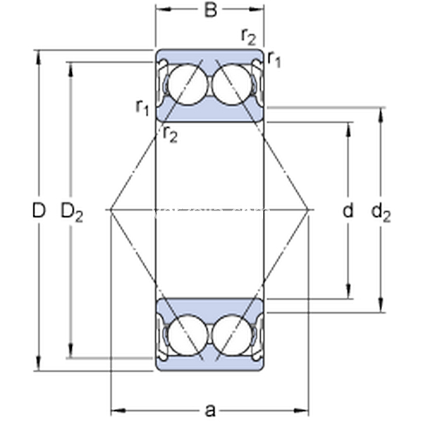
Dimensioni
d 50mm
D 90mm
B 30.2mm
d257.8mm
D282.1mm
r1,2min.1.1mm
a 52mm
Dimensioni Dello Spallamento
damin.57mm
damax.57.5mm
Damax.83mm
ramax.1mm
Dati Di Calcolo
Coefficiente di carico dinamicoC 51kN
Coefficiente di carico statico di baseC0 42.5kN
Carico limite di faticaPu 1.8kN
Velocità di riferimento  8000r/min
Velocità limite  7000r/min
Fattore di calcolokr 0.06 
Fattore di calcoloe 0.8 
Fattore di calcoloX 0.63 
Fattore di calcoloY0 0.66 
Fattore di calcoloY1 0.78 
Fattore di calcoloY2 1.24 
Massa
Massa cuscinetto  0.65kg