Non ci sono articoli nel tuo carrello
SCHEDA ARTICOLO

3211 ATN9

CUSCINETTO
Codice: J1645
Disponibilità: disponibile
Disponibilità: 47 disponibile
Marca: SKF
Unità di misura: NR
Quantitativi ammessi: multipli di 1X
€98,88

Descrizione

Dimensioni: Foro: 55 mm Diametro: 100 mm Spessore: 33,3 mm Peso: 0,9327 kg


Dettagli

  • EAN-Code : 07316570931808
  • Taric number : 84821090

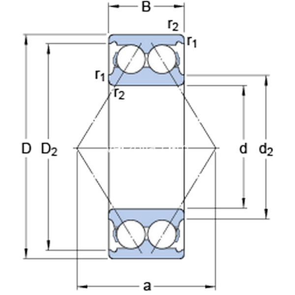
Dimensioni
d 55mm
D 100mm
B 33.3mm
d263.2mm
D292.3mm
r1,2min.1.5mm
a 57mm
Dimensioni Dello Spallamento
damin.63mm
Damax.91mm
ramax.1.5mm
Dati Di Calcolo
Coefficiente di carico dinamicoC 60kN
Coefficiente di carico statico di baseC0 47.5kN
Carico limite di faticaPu 2kN
Velocità di riferimento  7000r/min
Velocità limite  6300r/min
Fattore di calcolokr 0.06 
Fattore di calcoloe 0.8 
Fattore di calcoloX 0.63 
Fattore di calcoloY0 0.66 
Fattore di calcoloY1 0.78 
Fattore di calcoloY2 1.24 
Massa
Massa cuscinetto  0.91kg