Non ci sono articoli nel tuo carrello
SCHEDA ARTICOLO

3212 A/C3

CUSCINETTO
Codice: 45882
Disponibilità: disponibile
Disponibilità: 10 disponibile
Marca: SKF
Unità di misura: NR
Quantitativi ammessi: multipli di 1X
€146,72

Descrizione

Dimensioni: Foro: 60 mm Diametro: 110 mm Spessore: 36,5 mm Peso: 1,279 kg


Dettagli

  • EAN-Code : 07316570884869
  • Taric number : 84821090

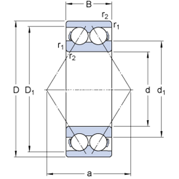
Dimensioni
d 60mm
D 110mm
B 36.5mm
d174.459mm
D196.2mm
r1,2min.1.5mm
a 63mm
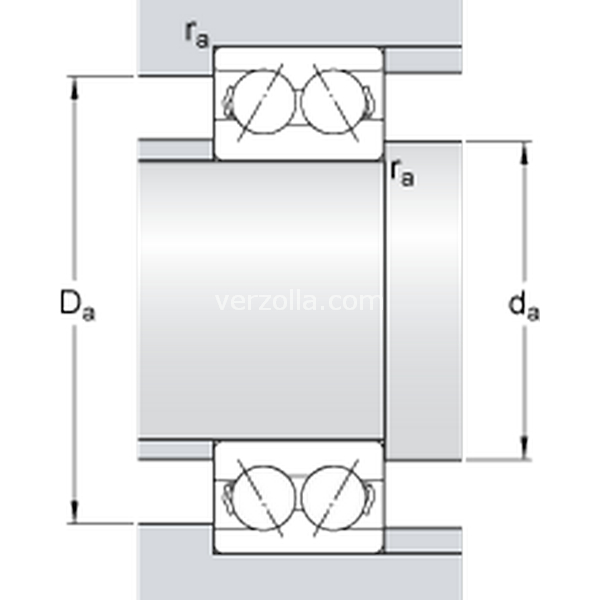
Dimensioni Dello Spallamento
damin.69mm
Damax.101mm
ramax.1.5mm
Dati Di Calcolo
Coefficiente di carico dinamicoC 73.5kN
Coefficiente di carico statico di baseC0 58.5kN
Carico limite di faticaPu 2.5kN
Velocità di riferimento  6300r/min
Velocità limite  5600r/min
Fattore di calcolokr 0.06 
Fattore di calcoloe 0.8 
Fattore di calcoloX 0.63 
Fattore di calcoloY0 0.66 
Fattore di calcoloY1 0.78 
Fattore di calcoloY2 1.24 
Massa
Massa cuscinetto  1.2kg