Non ci sono articoli nel tuo carrello
SCHEDA ARTICOLO

3213 A

CUSCINETTO
Codice: 03152
Disponibilità: disponibile
Disponibilità: 24 disponibile
Marca: SKF
Unità di misura: NR
Quantitativi ammessi: multipli di 1X
€162,36

Descrizione

Dimensioni: Foro: 65 mm Diametro: 120 mm Spessore: 38,1 mm Peso: 1,687 kg


Dettagli

  • EAN-Code :
  • Taric number : 84821090

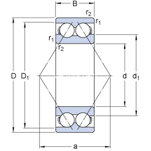
Dimensioni
d 65mm
D 120mm
B 38.1mm
d184.97mm
D1102.58mm
r1,2min.1.5mm
a 71mm
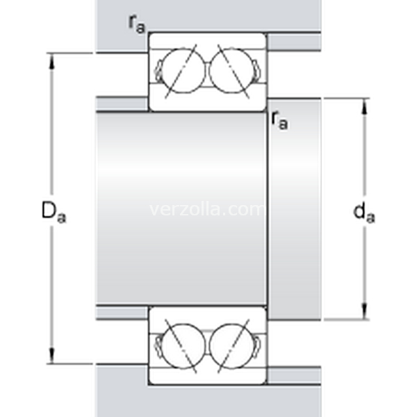
Dimensioni Dello Spallamento
damin.74mm
Damax.111mm
ramax.1.5mm
Dati Di Calcolo
Coefficiente di carico dinamicoC 80.6kN
Coefficiente di carico statico di baseC0 73.5kN
Carico limite di faticaPu 3.1kN
Velocità di riferimento  5600r/min
Velocità limite  4800r/min
Fattore di calcolokr 0.06 
Fattore di calcoloe 0.8 
Fattore di calcoloX 0.63 
Fattore di calcoloY0 0.66 
Fattore di calcoloY1 0.78 
Fattore di calcoloY2 1.24 
Massa
Massa cuscinetto  1.75kg