Non ci sono articoli nel tuo carrello
SCHEDA ARTICOLO

3214 A-2Z/MT33

CUSCINETTO
Codice: P0059
Disponibilità: disponibile
Disponibilità: 24 disponibile
Marca: SKF
Unità di misura: NR
Quantitativi ammessi: multipli di 1X
Da preventivare

Descrizione

Dimensioni: Foro: 70 mm Diametro: 125 mm Spessore: 39,7 mm Peso: 1,6699 kg


Dettagli

  • EAN-Code : 07316571496108
  • Taric number : 84821090

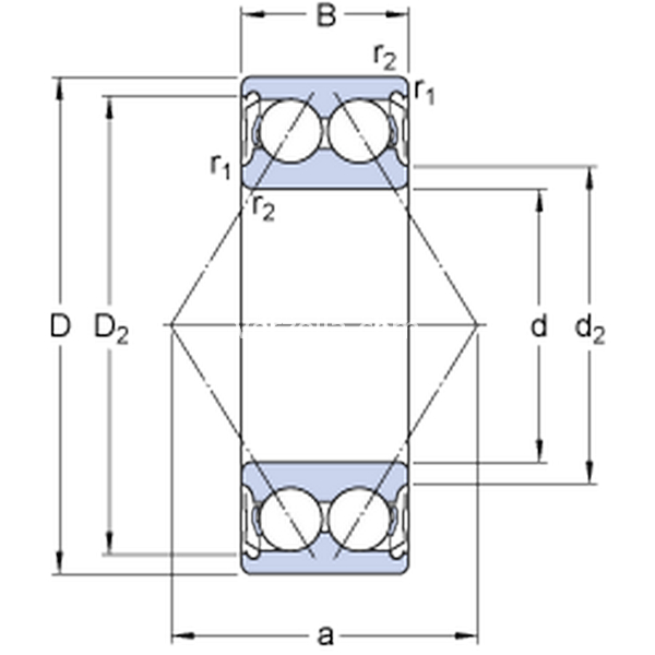
Dimensioni
d 70mm
D 125mm
B 39.7mm
d282.5mm
D2115.4mm
r1,2min.1.5mm
a 74mm
Dimensioni Dello Spallamento
damin.79mm
damax.82mm
Damax.116mm
ramax.1.5mm
Dati Di Calcolo
Coefficiente di carico dinamicoC 88.4kN
Coefficiente di carico statico di baseC0 80kN
Carico limite di faticaPu 3.4kN
Velocità di riferimento  5600r/min
Velocità limite  4500r/min
Fattore di calcolokr 0.06 
Fattore di calcoloe 0.8 
Fattore di calcoloX 0.63 
Fattore di calcoloY0 0.66 
Fattore di calcoloY1 0.78 
Fattore di calcoloY2 1.24 
Massa
Massa cuscinetto  1.9kg