Non ci sono articoli nel tuo carrello
SCHEDA ARTICOLO

3215 A

CUSCINETTO
Codice: 03159
Disponibilità: disponibile
Disponibilità: 16 disponibile
Marca: SKF
Unità di misura: NR
Quantitativi ammessi: multipli di 1X
€207,35

Descrizione

Dimensioni: Foro: 75 mm Diametro: 130 mm Spessore: 41,3 mm Peso: 1,969 kg


Dettagli

  • EAN-Code :
  • Taric number : 84821090

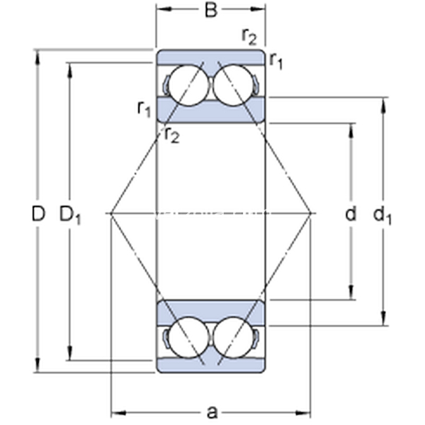
Dimensioni
d 75mm
D 130mm
B 41.3mm
d192.04mm
D1111.49mm
r1,2min.1.5mm
a 77mm
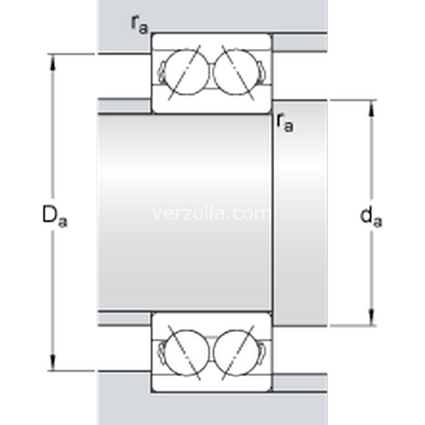
Dimensioni Dello Spallamento
damin.84mm
Damax.121mm
ramax.1.5mm
Dati Di Calcolo
Coefficiente di carico dinamicoC 95.6kN
Coefficiente di carico statico di baseC0 88kN
Carico limite di faticaPu 3.75kN
Velocità di riferimento  5300r/min
Velocità limite  4500r/min
Fattore di calcolokr 0.06 
Fattore di calcoloe 0.8 
Fattore di calcoloX 0.63 
Fattore di calcoloY0 0.66 
Fattore di calcoloY1 0.78 
Fattore di calcoloY2 1.24 
Massa
Massa cuscinetto  2.1kg