Non ci sono articoli nel tuo carrello
SCHEDA ARTICOLO

3219 A/C3

CUSCINETTO
Codice: X1783
Disponibilità: Non disponibile
Disponibilità: Disponibile
Marca: SKF
Unità di misura: NR
Quantitativi ammessi: multipli di 1X
€460,71

Descrizione



  • EAN-Code : 07316570506457
  • Taric number : 84821090

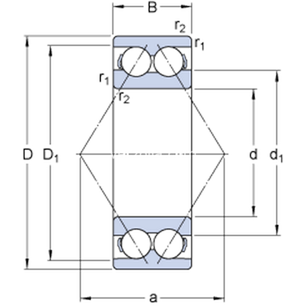
Dimensioni
d 95mm
D 170mm
B 55.6mm
d1119.9mm
D1146mm
r1,2min.2.1mm
a 101mm
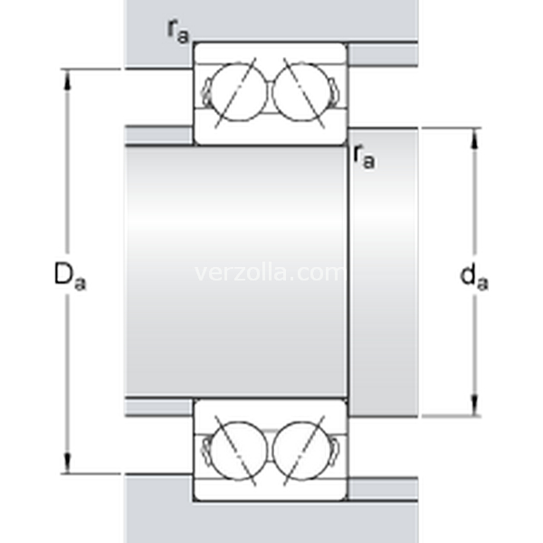
Dimensioni Dello Spallamento
damin.107mm
Damax.158mm
ramax.2mm
Dati Di Calcolo
Coefficiente di carico dinamicoC 159kN
Coefficiente di carico statico di baseC0 146kN
Carico limite di faticaPu 5.4kN
Velocità di riferimento  4000r/min
Velocità limite  3400r/min
Fattore di calcolokr 0.06 
Fattore di calcoloe 0.8 
Fattore di calcoloX 0.63 
Fattore di calcoloY0 0.66 
Fattore di calcoloY1 0.78 
Fattore di calcoloY2 1.24 
Massa
Massa cuscinetto  5kg