Non ci sono articoli nel tuo carrello
SCHEDA ARTICOLO

3222 A

CUSCINETTO
Codice: 03166
Disponibilità: Non disponibile
Disponibilità: Disponibile
Marca: SKF
Unità di misura: NR
Quantitativi ammessi: multipli di 1X
Da preventivare

Descrizione

Dimensioni: Foro: 110 mm Diametro: 200 mm Spessore: 69,8 mm Peso: 7,9923 kg


Dettagli

  • EAN-Code : 07316571140179
  • Taric number : 84821090

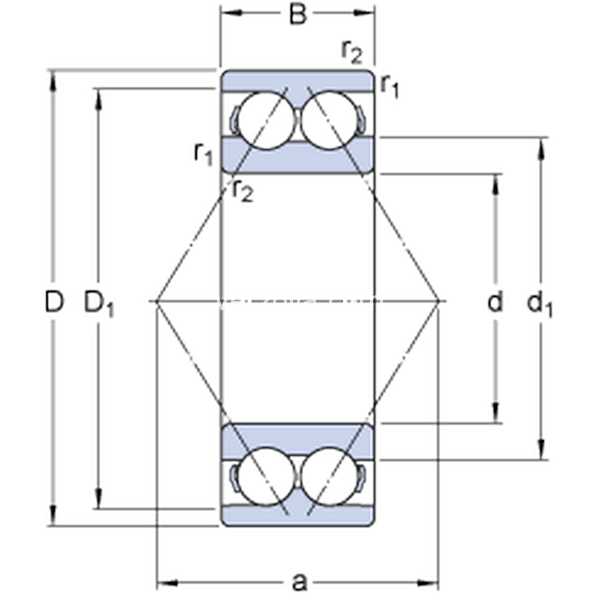
Dimensioni
d 110mm
D 200mm
B 69.8mm
d1139.25mm
D1173.7mm
r1,2min.2.1mm
a 119mm
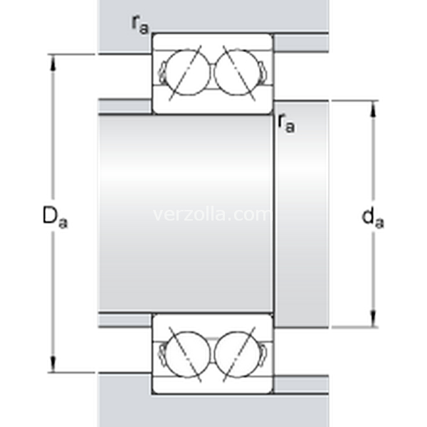
Dimensioni Dello Spallamento
damin.122mm
Damax.188mm
ramax.2mm
Dati Di Calcolo
Coefficiente di carico dinamicoC 212kN
Coefficiente di carico statico di baseC0 212kN
Carico limite di faticaPu 7.2kN
Velocità di riferimento  3400r/min
Velocità limite  2800r/min
Fattore di calcolokr 0.06 
Fattore di calcoloe 0.8 
Fattore di calcoloX 0.63 
Fattore di calcoloY0 0.66 
Fattore di calcoloY1 0.78 
Fattore di calcoloY2 1.24 
Massa
Massa cuscinetto  8.8kg