Non ci sono articoli nel tuo carrello
SCHEDA ARTICOLO

3303 ATN9

CUSCINETTO
Codice: 32911
Disponibilità: disponibile
Disponibilità: 54 disponibile
Marca: SKF
Unità di misura: NR
Quantitativi ammessi: multipli di 1X
€37,59

Descrizione

Dimensioni: Foro: 17 mm Diametro: 47 mm Spessore: 22,2 mm Peso: 0,176 kg


Dettagli

  • EAN-Code : 07316577041883
  • Taric number : 84821090

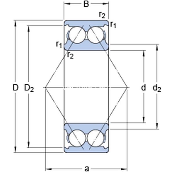
Dimensioni
d 17mm
D 47mm
B 22.2mm
d225.7mm
D240.15mm
r1,2min.1mm
a 28mm
Dimensioni Dello Spallamento
damin.22.6mm
Damax.41.4mm
ramax.1mm
Dati Di Calcolo
Coefficiente di carico dinamicoC 21.6kN
Coefficiente di carico statico di baseC0 12.7kN
Carico limite di faticaPu 0.54kN
Velocità di riferimento  17000r/min
Velocità limite  14000r/min
Fattore di calcolokr 0.07 
Fattore di calcoloe 0.8 
Fattore di calcoloX 0.63 
Fattore di calcoloY0 0.66 
Fattore di calcoloY1 0.78 
Fattore di calcoloY2 1.24 
Massa
Massa cuscinetto  0.18kg