Non ci sono articoli nel tuo carrello
SCHEDA ARTICOLO

3307 ATN9

CUSCINETTO
Codice: 30484
Disponibilità: Disp. limitata
Disponibilità: 2 disponibile
Marca: SKF
Unità di misura: NR
Quantitativi ammessi: multipli di 1X
€76,93

Descrizione

Dimensioni: Foro: 35 mm Diametro: 80 mm Spessore: 34,9 mm Peso: 0,733 kg


Dettagli

  • EAN-Code : 07316577045997
  • Taric number : 84821090

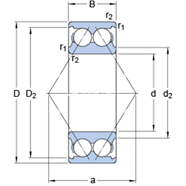
Dimensioni
d 35mm
D 80mm
B 34.9mm
d244.6mm
D270.5mm
r1,2min.1.5mm
a 47mm
Dimensioni Dello Spallamento
damin.44mm
Damax.71mm
ramax.1.5mm
Dati Di Calcolo
Coefficiente di carico dinamicoC 52kN
Coefficiente di carico statico di baseC0 35.5kN
Carico limite di faticaPu 1.5kN
Velocità di riferimento  9500r/min
Velocità limite  8500r/min
Fattore di calcolokr 0.07 
Fattore di calcoloe 0.8 
Fattore di calcoloX 0.63 
Fattore di calcoloY0 0.66 
Fattore di calcoloY1 0.78 
Fattore di calcoloY2 1.24 
Massa
Massa cuscinetto  0.73kg