Non ci sono articoli nel tuo carrello
SCHEDA ARTICOLO

3308 A

CUSCINETTO
Codice: I7990
Disponibilità: Disp. limitata
Disponibilità: 4 disponibile
Marca: SKF
Unità di misura: NR
Quantitativi ammessi: multipli di 1X
€110,44

Descrizione

Dimensioni: Foro: 40 mm Diametro: 90 mm Spessore: 36,5 mm Peso: 0,981 kg


Dettagli

  • EAN-Code : 07316571185545
  • Taric number : 84821090

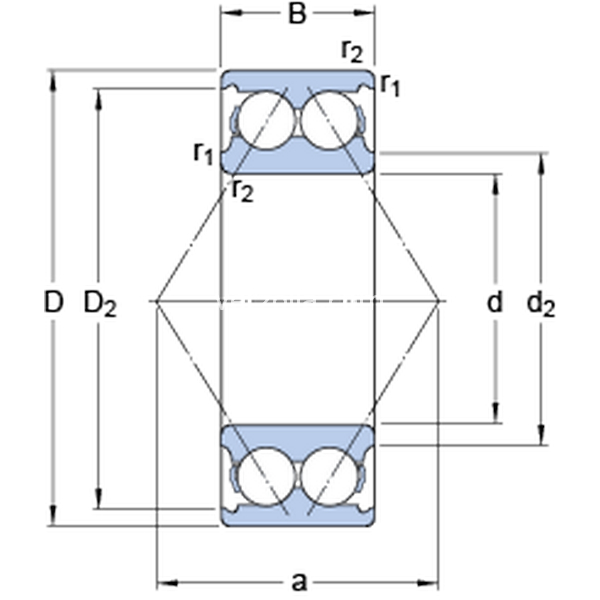
Dimensioni
d 40mm
D 90mm
B 36.5mm
d250.8mm
D280.5mm
r1,2min.1.5mm
a 53mm
Dimensioni Dello Spallamento
damin.49mm
Damax.81mm
ramax.1.5mm
Dati Di Calcolo
Coefficiente di carico dinamicoC 64kN
Coefficiente di carico statico di baseC0 44kN
Carico limite di faticaPu 1.86kN
Velocità di riferimento  8000r/min
Velocità limite  7500r/min
Fattore di calcolokr 0.07 
Fattore di calcoloe 0.8 
Fattore di calcoloX 0.63 
Fattore di calcoloY0 0.66 
Fattore di calcoloY1 0.78 
Fattore di calcoloY2 1.24 
Massa
Massa cuscinetto  0.93kg