Non ci sono articoli nel tuo carrello
SCHEDA ARTICOLO

3309 A-2RS1/C3MT33

CUSCINETTO
Codice: J0095
Disponibilità: Disp. limitata
Disponibilità: 4 disponibile
Marca: SKF
Unità di misura: NR
Quantitativi ammessi: multipli di 1X
Da preventivare

Descrizione

Dimensioni: Foro: 45 mm Diametro: 100 mm Spessore: 39,7 mm Peso: 1,29 kg


Dettagli

  • EAN-Code : 07316571510729
  • Taric number : 84821090

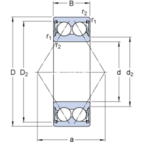
Dimensioni
d 45mm
D 100mm
B 39.7mm
d255.6mm
D289.95mm
r1,2min.1.5mm
a 58mm
Dimensioni Dello Spallamento
damin.54mm
damax.91mm
Damax.91mm
ramax.1.5mm
Dati Di Calcolo
Coefficiente di carico dinamicoC 75kN
Coefficiente di carico statico di baseC0 53kN
Carico limite di faticaPu 2.24kN
Velocità limite  4800r/min
Fattore di calcolokr 0.07 
Fattore di calcoloe 0.8 
Fattore di calcoloX 0.63 
Fattore di calcoloY0 0.66 
Fattore di calcoloY1 0.78 
Fattore di calcoloY2 1.24 
Massa
Massa cuscinetto  1.25kg