Non ci sono articoli nel tuo carrello
Prodotti
SCHEDA ARTICOLO

51120

CUSCINETTO
Codice: 01633
Disponibilità: Disp. limitata
Disponibilità: 3 disponibile
Marca: SKF
Unità di misura: NR
Quantitativi ammessi: multipli di 1X
Da preventivare

Descrizione

Dimensioni: Foro: 100 mm Diametro: 135 mm Spessore: 25 mm


Dettagli

  • EAN-Code : 07316577006554
  • Taric number : 84821090

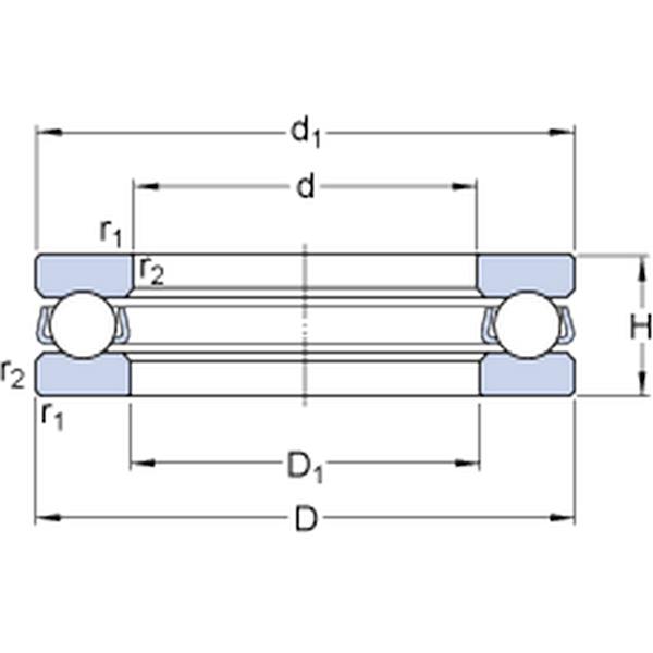
Dimensioni
d 100mm
D 135mm
H 25mm
d1135mm
D1102mm
r1,2min.1mm
Dimensioni Dello Spallamento
damin.121mm
Damax.114mm
ramax.1mm
Dati Di Calcolo
Coefficiente di carico dinamicoC 80.6kN
Coefficiente di carico statico di baseC0 265kN
Carico limite di faticaPu 9.15kN
Velocità di riferimento  2400r/min
Velocità limite  3200r/min
Fattore di carico minimoA 0.44 
Massa
Massa cuscinetto (compresa piastra di orientabilità, se presente)  0.97kg