Non ci sono articoli nel tuo carrello
Prodotti
SCHEDA ARTICOLO

51226

CUSCINETTO
Codice: 01711
Disponibilità: Disp. limitata
Disponibilità: 4 disponibile
Marca: SKF
Unità di misura: NR
Quantitativi ammessi: multipli di 1X
Da preventivare

Descrizione

Dimensioni: Foro: 130 mm Diametro: 190 mm Spessore: 45 mm


Dettagli

  • EAN-Code : 07316577006868
  • Taric number : 84821090

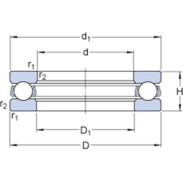
Dimensioni
d 130mm
D 190mm
H 45mm
d1187mm
D1133mm
r1,2min.1.5mm
Dimensioni Dello Spallamento
damin.166mm
Damax.154mm
ramax.1.5mm
Dati Di Calcolo
Coefficiente di carico dinamicoC 186kN
Coefficiente di carico statico di baseC0 585kN
Carico limite di faticaPu 17kN
Velocità di riferimento  1400r/min
Velocità limite  2000r/min
Fattore di carico minimoA 1.8 
Massa
Massa cuscinetto (compresa piastra di orientabilità, se presente)  4kg