Non ci sono articoli nel tuo carrello
Prodotti
SCHEDA ARTICOLO

51238 M

CUSCINETTO
Codice: 06771
Disponibilità: Non disponibile
Disponibilità: Disponibile
Marca: SKF
Unità di misura: NR
Quantitativi ammessi: multipli di 1X
Da preventivare

Descrizione

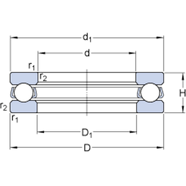
Dimensioni: Foro: 190 mm Diametro: 270 mm Spessore: 62 mm Peso: 11,457 kg


Dettagli

  • EAN-Code : 07316577121141
  • Taric number : 84821090

Dimensioni
d 190mm
D 270mm
H 62mm
d1265mm
D1194mm
r1,2min.2mm
Dimensioni Dello Spallamento
damin.238mm
Damax.222mm
ramax.2mm
Dati Di Calcolo
Coefficiente di carico dinamicoC 338kN
Coefficiente di carico statico di baseC0 1250kN
Carico limite di faticaPu 30kN
Velocità di riferimento  1000r/min
Velocità limite  1400r/min
Fattore di carico minimoA 8.4 
Massa
Massa cuscinetto (compresa piastra di orientabilità, se presente)  12kg