Non ci sono articoli nel tuo carrello
Prodotti
SCHEDA ARTICOLO

53222

CUSCINETTO
Codice: 01775
Disponibilità: Disp. limitata
Disponibilità: 1 disponibile
Marca: SKF
Unità di misura: NR
Quantitativi ammessi: multipli di 1X
Da preventivare

Descrizione

Dimensioni: Foro: 110 mm Diametro: 160 mm Spessore: 40,2 mm


Dettagli

  • EAN-Code : 07316577007384
  • Taric number : 84821090

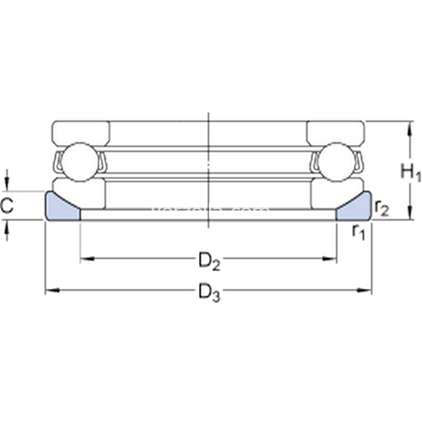
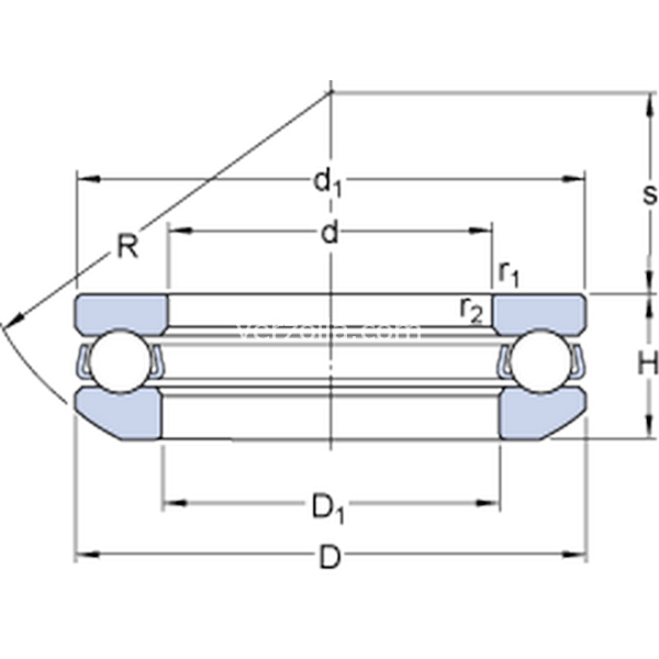
Dimensioni
d 110mm
D 160mm
H 40.2mm
H1 45mm
d1160mm
D1113mm
D2 135mm
D3 165mm
C 14mm
R 125mm
s 65mm
r1,2min.1.1mm
Dimensioni Dello Spallamento
damin.140mm
Damax.135mm
ramax.1mm
Dati Di Calcolo
Coefficiente di carico dinamicoC 125kN
Coefficiente di carico statico di baseC0 365kN
Carico limite di faticaPu 11.6kN
Velocità di riferimento  1700r/min
Velocità limite  2400r/min
Fattore di carico minimoA 0.79 
Massa
Massa cuscinetto (compresa piastra di orientabilità, se presente)  2.91kg