Non ci sono articoli nel tuo carrello
Prodotti
SCHEDA ARTICOLO

6003-Z

CUSCINETTO
Codice: 38643
Disponibilità: disponibile
Disponibilità: 11 disponibile
Marca: SKF
Unità di misura: NR
Quantitativi ammessi: multipli di 1X
Da preventivare

Descrizione

Dimensioni: Foro: 17 mm Diametro: 35 mm Spessore: 10 mm Peso: 0,0384 kg


Dettagli

  • EAN-Code : 07316577094070
  • Taric number : 84821090

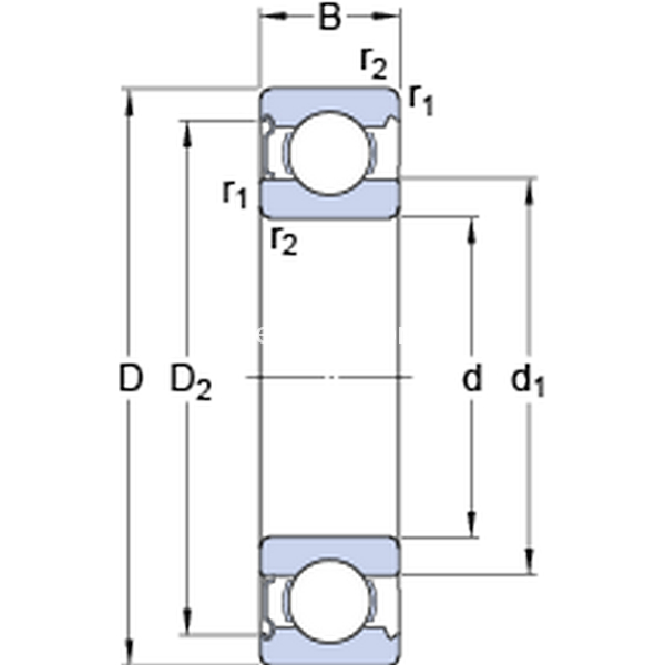
Dimensioni
d 17mm
D 35mm
B 10mm
d123mm
D231.2mm
r1,2min.0.3mm
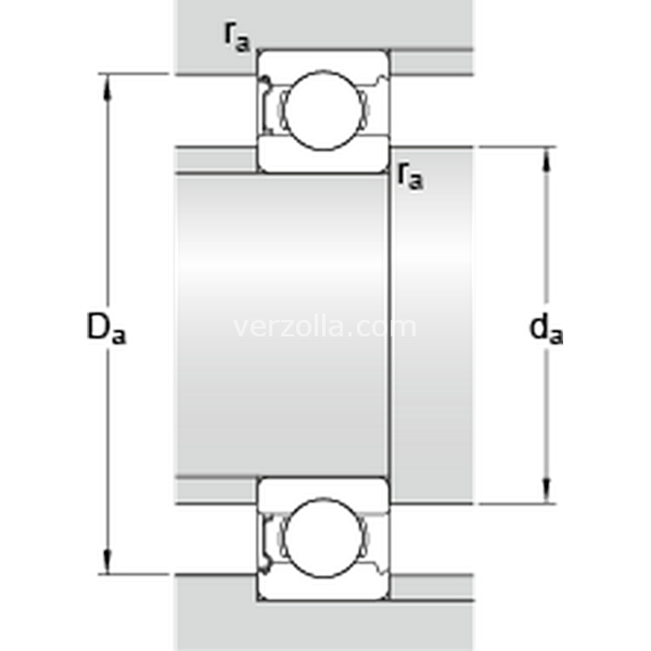
Dimensioni Dello Spallamento
damin.19mm
damax.22.9mm
Damax.33mm
ramax.0.3mm
Dati Di Calcolo
Coefficiente di carico dinamicoC 6.37kN
Coefficiente di carico statico di baseC0 3.25kN
Carico limite di faticaPu 0.137kN
Velocità di riferimento  45000r/min
Velocità limite  28000r/min
Fattore di calcolokr 0.025 
Fattore di calcolof0 14 
Massa
Massa cuscinetto  0.039kg