Non ci sono articoli nel tuo carrello
Prodotti
SCHEDA ARTICOLO

6004-2Z

CUSCINETTO
Codice: 37614
Disponibilità: disponibile
Disponibilità: 6127 disponibile
Marca: SKF
Unità di misura: NR
Quantitativi ammessi: multipli di 1X
€3,90

Descrizione

Dimensioni: Foro: 20 mm Diametro: 42 mm Spessore: 12 mm Peso: 0,0671 kg


Dettagli

  • EAN-Code : 07316577758675
  • Taric number : 84821090

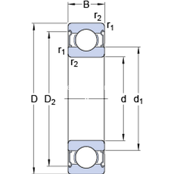
Dimensioni
d 20mm
D 42mm
B 12mm
d127.2mm
D237.19mm
r1,2min.0.6mm
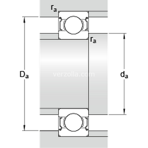
Dimensioni Dello Spallamento
damin.23.2mm
damax.27.1mm
Damax.38.8mm
ramax.0.6mm
Dati Di Calcolo
Coefficiente di carico dinamicoC 9.95kN
Coefficiente di carico statico di baseC0 5kN
Carico limite di faticaPu 0.212kN
Velocità di riferimento  38000r/min
Velocità limite  19000r/min
Fattore di calcolokr 0.025 
Fattore di calcolof0 14 
Massa
Massa cuscinetto  0.071kg