Non ci sono articoli nel tuo carrello
Prodotti
SCHEDA ARTICOLO

6006-RS1

CUSCINETTO
Codice: 00313
Disponibilità: disponibile
Disponibilità: 15 disponibile
Marca: SKF
Unità di misura: NR
Quantitativi ammessi: multipli di 1X
Da preventivare

Descrizione

Dimensioni: Foro: 30 mm Diametro: 55 mm Spessore: 13 mm Peso: 0,114 kg


Dettagli

  • EAN-Code : 07316577297174
  • Taric number : 84821090

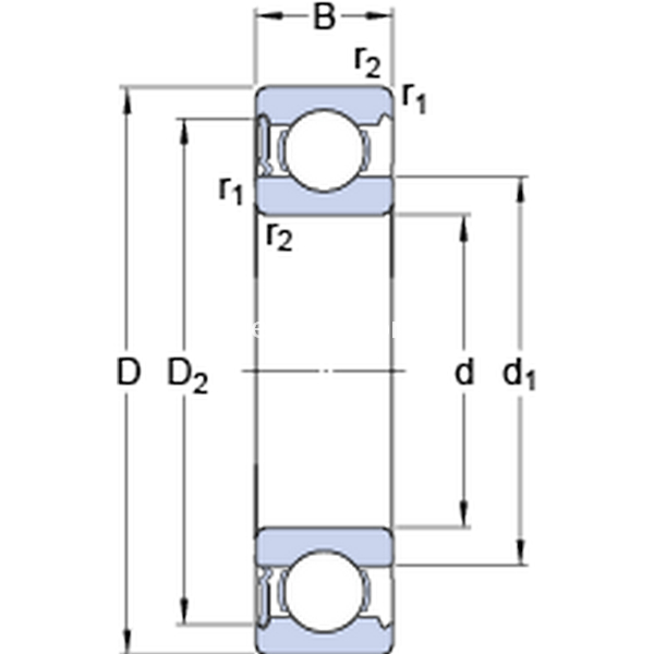
Dimensioni
d 30mm
D 55mm
B 13mm
d138.2mm
D249mm
r1,2min.1mm
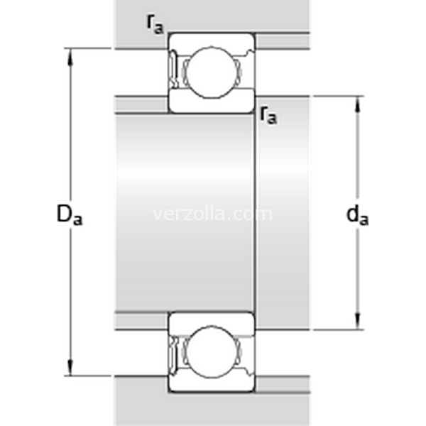
Dimensioni Dello Spallamento
damin.34.6mm
damax.38.1mm
Damax.50.4mm
ramax.1mm
Dati Di Calcolo
Coefficiente di carico dinamicoC 13.8kN
Coefficiente di carico statico di baseC0 8.3kN
Carico limite di faticaPu 0.355kN
Velocità limite  8000r/min
Fattore di calcolokr 0.025 
Fattore di calcolof0 15 
Massa
Massa cuscinetto  0.12kg