Non ci sono articoli nel tuo carrello
Prodotti
SCHEDA ARTICOLO

6007-RS1/C3

CUSCINETTO
Codice: 44516
Disponibilità: Non disponibile
Disponibilità: Disponibile
Marca: SKF
Unità di misura: NR
Quantitativi ammessi: multipli di 1X
Da preventivare

Descrizione

Dimensioni: Foro: 35 mm Diametro: 62 mm Spessore: 14 mm Peso: 0,15 kg


Dettagli

  • EAN-Code : 07316571364872
  • Taric number : 84821090

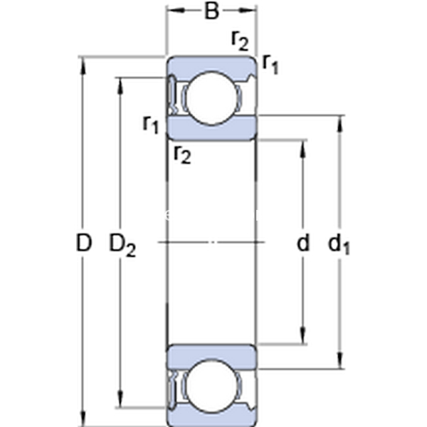
Dimensioni
d 35mm
D 62mm
B 14mm
d143.75mm
D255.61mm
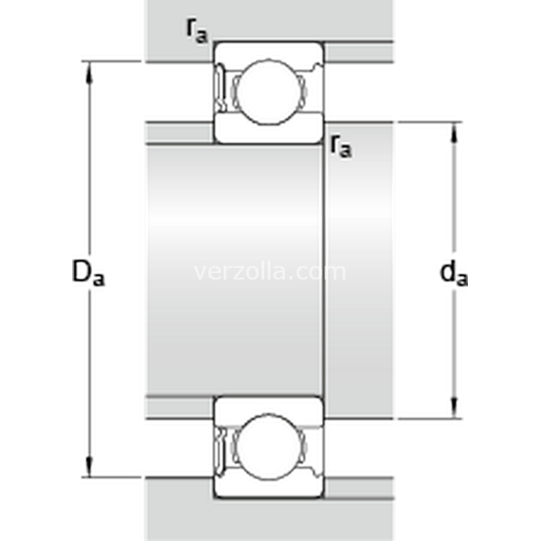
Dimensioni Dello Spallamento
damin.39.6mm
damax.43.7mm
Damax.57.4mm
ramax.1mm
Dati Di Calcolo
Coefficiente di carico dinamicoC 16.8kN
Coefficiente di carico statico di baseC0 10.2kN
Carico limite di faticaPu 0.44kN
Velocità limite  7000r/min
Fattore di calcolokr 0.025 
Fattore di calcolof0 15 
Massa
Massa cuscinetto  0.16kg