Non ci sono articoli nel tuo carrello
Prodotti
SCHEDA ARTICOLO

6008-2Z/C3GJN

CUSCINETTO
Codice: N2803
Disponibilità: Disp. limitata
Disponibilità: 2 disponibile
Marca: SKF
Unità di misura: NR
Quantitativi ammessi: multipli di 1X
Da preventivare

Descrizione

Dimensioni: Foro: 40 mm Diametro: 68 mm Spessore: 15 mm Peso: 0,194 kg


Dettagli

  • EAN-Code : 07316571574288
  • Taric number : 84821090

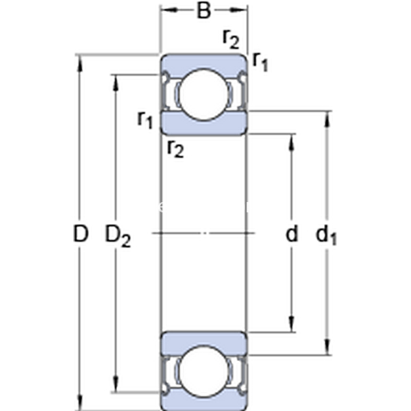
Dimensioni
d 40mm
D 68mm
B 15mm
d149.25mm
D261.1mm
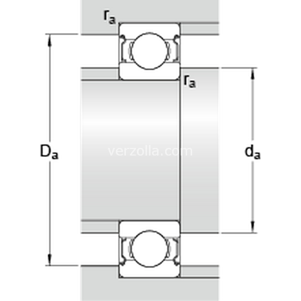
Dimensioni Dello Spallamento
damin.44.6mm
damax.49.2mm
Damax.63.4mm
ramax.1mm
Dati Di Calcolo
Coefficiente di carico dinamicoC 17.8kN
Coefficiente di carico statico di baseC0 11kN
Carico limite di faticaPu 0.49kN
Velocità di riferimento  22000r/min
Velocità limite  11000r/min
Fattore di calcolokr 0.025 
Fattore di calcolof0 15 
Massa
Massa cuscinetto  0.2kg