Non ci sono articoli nel tuo carrello
Prodotti
SCHEDA ARTICOLO

6009-2Z

CUSCINETTO
Codice: 00331
Disponibilità: disponibile
Disponibilità: 393 disponibile
Marca: SKF
Unità di misura: NR
Quantitativi ammessi: multipli di 1X
€11,05

Descrizione

Dimensioni: Foro: 45 mm Diametro: 75 mm Spessore: 16 mm Peso: 0,245 kg


Dettagli

  • EAN-Code : 07316570251555
  • Taric number : 84821090

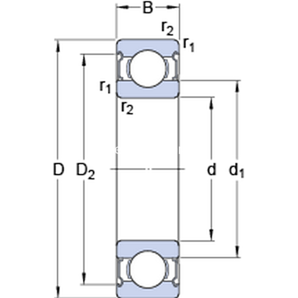
Dimensioni
d 45mm
D 75mm
B 16mm
d154.75mm
D267.8mm
r1,2min.1mm
Dimensioni Dello Spallamento
damin.50.8mm
damax.54.7mm
Damax.69.2mm
ramax.1mm
Dati Di Calcolo
Coefficiente di carico dinamicoC 22.1kN
Coefficiente di carico statico di baseC0 14.6kN
Carico limite di faticaPu 0.64kN
Velocità di riferimento  20000r/min
Velocità limite  10000r/min
Fattore di calcolokr 0.025 
Fattore di calcolof0 14.9 
Massa
Massa cuscinetto  0.25kg