Non ci sono articoli nel tuo carrello
Prodotti
SCHEDA ARTICOLO

6015-2RS1

CUSCINETTO
Codice: 00364
Disponibilità: disponibile
Disponibilità: 29 disponibile
Marca: SKF
Unità di misura: NR
Quantitativi ammessi: multipli di 1X
€43,77

Descrizione

Dimensioni: Foro: 75 mm Diametro: 115 mm Spessore: 20 mm Peso: 0,6509 kg


Dettagli

  • EAN-Code : 07316571147192
  • Taric number : 84821090

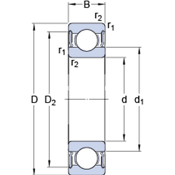
Dimensioni
d 75mm
D 115mm
B 20mm
d187.85mm
D2104.9mm
r1,2min.1.1mm
Dimensioni Dello Spallamento
damin.81mm
damax.87.8mm
Damax.109mm
ramax.1mm
Dati Di Calcolo
Coefficiente di carico dinamicoC 41.6kN
Coefficiente di carico statico di baseC0 33.5kN
Carico limite di faticaPu 1.43kN
Velocità limite  3400r/min
Fattore di calcolokr 0.025 
Fattore di calcolof0 15.8 
Massa
Massa cuscinetto  0.67kg