Non ci sono articoli nel tuo carrello
Prodotti
SCHEDA ARTICOLO

6015 NR

CUSCINETTO
Codice: 51563
Disponibilità: disponibile
Disponibilità: 14 disponibile
Marca: SKF
Unità di misura: NR
Quantitativi ammessi: multipli di 1X
Da preventivare

Descrizione

Dimensioni: Foro: 75 mm Diametro: 121,6 mm Spessore: 20 mm Peso: 0,6591 kg


Dettagli

  • EAN-Code : 07316577740564
  • Taric number : 84821090

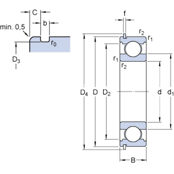
Dimensioni
d 75mm
D 115mm
B 20mm
d187.85mm
D2104.9mm
D3 111.81mm
D4 121.6mm
b 2.7mm
C 2.87mm
f 2.46mm
r0max.0.6mm
r1,2min.1.1mm
Dimensioni Dello Spallamento
damin.81mm
Damax.109mm
Dbmin.123mm
bamin.3mm
Camax.5.33mm
ramax.1mm
Dati Di Calcolo
Coefficiente di carico dinamicoC 41.6kN
Coefficiente di carico statico di baseC0 33.5kN
Carico limite di faticaPu 1.43kN
Velocità di riferimento  12000r/min
Velocità limite  7500r/min
Fattore di calcolokr 0.025 
Fattore di calcolof0 16 
Massa
Massa cuscinetto  0.67kg
Prodotti Appropriati
Anello di ancoraggio  SP 115