Non ci sono articoli nel tuo carrello
Prodotti
SCHEDA ARTICOLO

6016/C3

CUSCINETTO
Codice: 38712
Disponibilità: disponibile
Disponibilità: 24 disponibile
Marca: SKF
Unità di misura: NR
Quantitativi ammessi: multipli di 1X
€40,88

Descrizione

Dimensioni: Foro: 80 mm Diametro: 125 mm Spessore: 22 mm Peso: 0,8503 kg


Dettagli

  • EAN-Code : 07316571366715
  • Taric number : 84821090

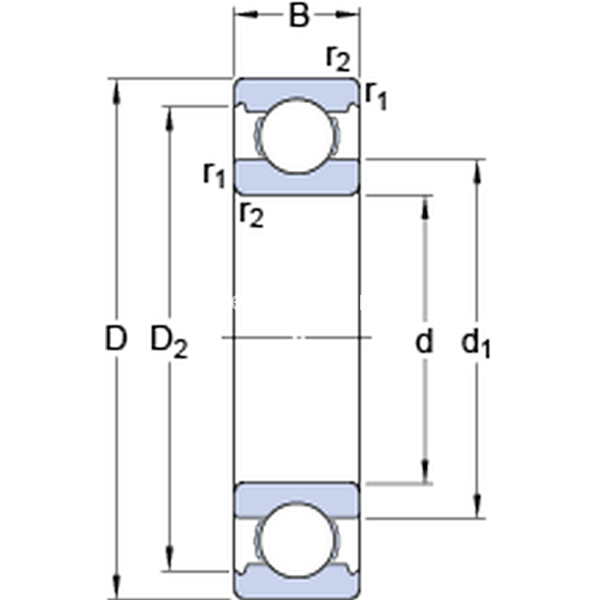
Dimensioni
d 80mm
D 125mm
B 22mm
d194.4mm
D2114.1mm
r1,2min.1.1mm
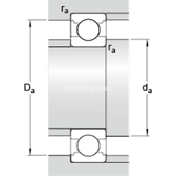
Dimensioni Dello Spallamento
damin.86mm
Damax.119mm
ramax.1mm
Dati Di Calcolo
Coefficiente di carico dinamicoC 49.4kN
Coefficiente di carico statico di baseC0 40kN
Carico limite di faticaPu 1.66kN
Velocità di riferimento  11000r/min
Velocità limite  7000r/min
Fattore di calcolokr 0.025 
Fattore di calcolof0 15.6 
Massa
Massa cuscinetto  0.86kg