Non ci sono articoli nel tuo carrello
Prodotti
SCHEDA ARTICOLO

6018-2Z

CUSCINETTO
Codice: 00376
Disponibilità: disponibile
Disponibilità: 64 disponibile
Marca: SKF
Unità di misura: NR
Quantitativi ammessi: multipli di 1X
€64,88

Descrizione

Dimensioni: Foro: 90 mm Diametro: 140 mm Spessore: 24 mm Peso: 1,194 kg


Dettagli

  • EAN-Code : 07316577065858
  • Taric number : 84821090

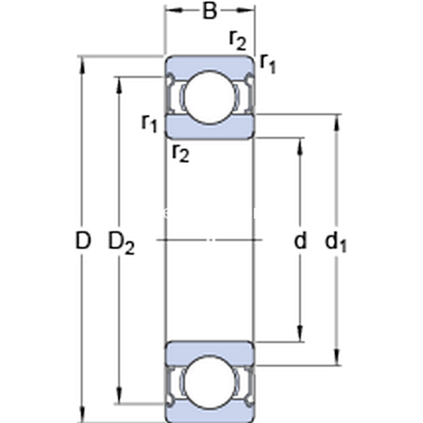
Dimensioni
d 90mm
D 140mm
B 24mm
d1105.95mm
D2128.3mm
r1,2min.1.5mm
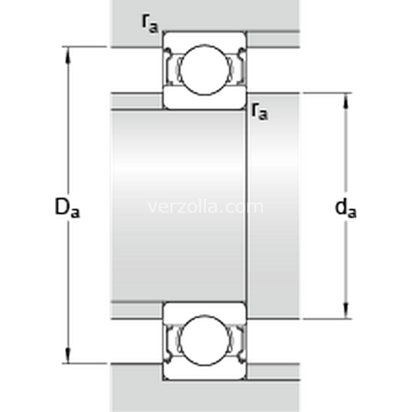
Dimensioni Dello Spallamento
damin.97mm
damax.105.9mm
Damax.133mm
ramax.1.5mm
Dati Di Calcolo
Coefficiente di carico dinamicoC 60.5kN
Coefficiente di carico statico di baseC0 50kN
Carico limite di faticaPu 1.96kN
Velocità di riferimento  10000r/min
Velocità limite  5000r/min
Fattore di calcolokr 0.025 
Fattore di calcolof0 15.6 
Massa
Massa cuscinetto  1.22kg