Non ci sono articoli nel tuo carrello
Prodotti
SCHEDA ARTICOLO

6022-2RS1/C3

CUSCINETTO
Codice: T5044
Disponibilità: Disp. limitata
Disponibilità: 2 disponibile
Marca: SKF
Unità di misura: NR
Quantitativi ammessi: multipli di 1X
€144,70

Descrizione

Dimensioni: Foro: 110 mm Diametro: 170 mm Spessore: 28 mm Peso: 1,9729 kg


Dettagli

  • EAN-Code : 07316577733184
  • Taric number : 84821090

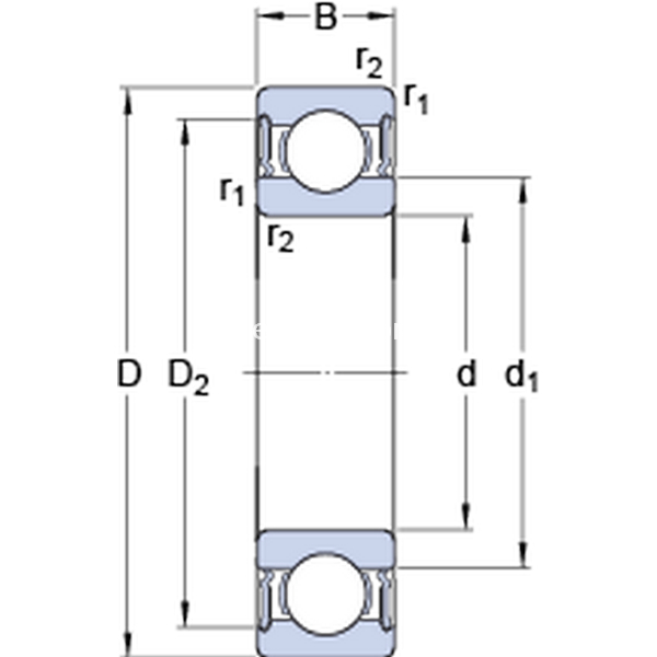
Dimensioni
d 110mm
D 170mm
B 28mm
d1129.05mm
D2155.3mm
r1,2min.2mm
Dimensioni Dello Spallamento
damin.119mm
damax.128.9mm
Damax.161mm
ramax.2mm
Dati Di Calcolo
Coefficiente di carico dinamicoC 85.2kN
Coefficiente di carico statico di baseC0 73.5kN
Carico limite di faticaPu 2.6kN
Velocità limite  2400r/min
Fattore di calcolokr 0.025 
Fattore di calcolof0 15.6 
Massa
Massa cuscinetto  2.02kg