Non ci sono articoli nel tuo carrello
Prodotti
SCHEDA ARTICOLO

6032-2Z

CUSCINETTO
Codice: J4757
Disponibilità: disponibile
Disponibilità: 12 disponibile
Marca: SKF
Unità di misura: NR
Quantitativi ammessi: multipli di 1X
Da preventivare

Descrizione

Dimensioni: Foro: 160 mm Diametro: 240 mm Spessore: 38 mm Peso: 5,2387 kg


Dettagli

  • EAN-Code : 07316570426335
  • Taric number : 84821090

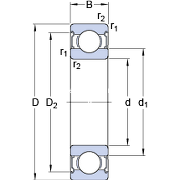
Dimensioni
d 160mm
D 240mm
B 38mm
d1185.7mm
D2218.9mm
r1,2min.2.1mm
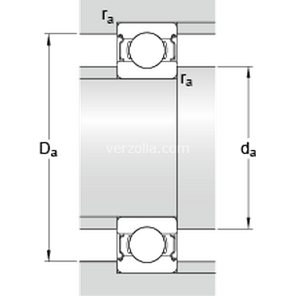
Dimensioni Dello Spallamento
damin.169mm
damax.185mm
Damax.231mm
ramax.2mm
Dati Di Calcolo
Coefficiente di carico dinamicoC 143kN
Coefficiente di carico statico di baseC0 143kN
Carico limite di faticaPu 4.3kN
Velocità di riferimento  5600r/min
Velocità limite  2800r/min
Fattore di calcolokr 0.025 
Fattore di calcolof0 15.9 
Massa
Massa cuscinetto  5.38kg