Non ci sono articoli nel tuo carrello
Prodotti
SCHEDA ARTICOLO

6056 M/C3

CUSCINETTO
Codice: 93771
Disponibilità: Disp. limitata
Disponibilità: 4 disponibile
Marca: SKF
Unità di misura: NR
Quantitativi ammessi: multipli di 1X
Da preventivare

Descrizione

Dimensioni: Foro: 280 mm Diametro: 420 mm Spessore: 65 mm Peso: 31 kg


Dettagli

  • EAN-Code : 07316570638424
  • Taric number : 84821090

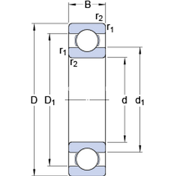
Dimensioni
d 280mm
D 420mm
B 65mm
d1324.9mm
D1375.05mm
r1,2min.4mm
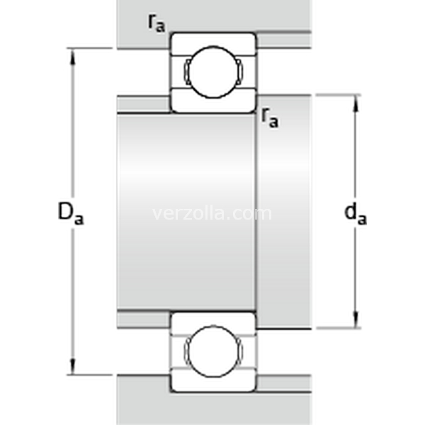
Dimensioni Dello Spallamento
damin.296mm
Damax.404mm
ramax.3mm
Dati Di Calcolo
Coefficiente di carico dinamicoC 302kN
Coefficiente di carico statico di baseC0 405kN
Carico limite di faticaPu 9.3kN
Velocità di riferimento  3000r/min
Velocità limite  2600r/min
Fattore di calcolokr 0.025 
Fattore di calcolof0 16 
Massa
Massa cuscinetto  30.8kg