Non ci sono articoli nel tuo carrello
Prodotti
SCHEDA ARTICOLO

61902-2RS1

CUSCINETTO
Codice: 53066
Disponibilità: disponibile
Disponibilità: 415 disponibile
Marca: SKF
Unità di misura: NR
Quantitativi ammessi: multipli di 1X
€12,99

Descrizione

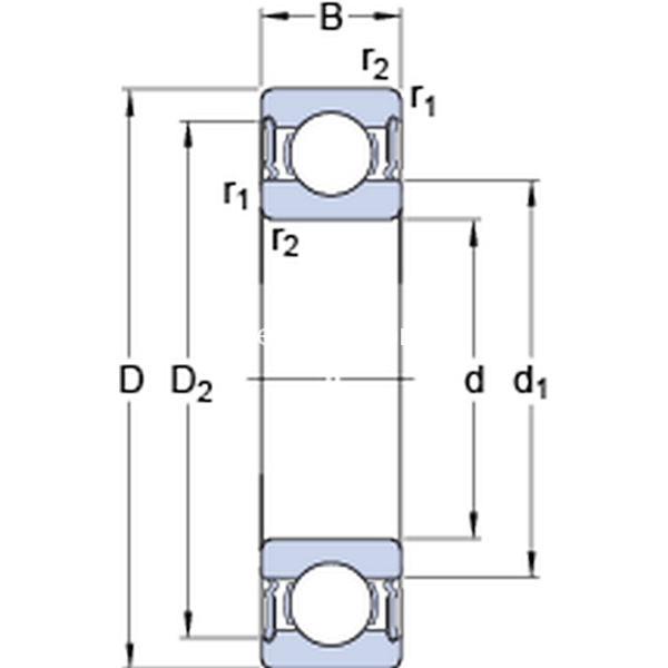
Dimensioni: Foro: 15 mm Diametro: 28 mm Spessore: 7 mm Peso: 0,0159 kg


Dettagli

  • EAN-Code : 07316577121912
  • Taric number : 84821010

Dimensioni
d 15mm
D 28mm
B 7mm
d118.8mm
D20mm
r1,2min.0.3mm
Dimensioni Dello Spallamento
damin.17mm
damax.18.3mm
Damax.26mm
ramax.0.3mm
Dati Di Calcolo
Coefficiente di carico dinamicoC 4.36kN
Coefficiente di carico statico di baseC0 2.24kN
Carico limite di faticaPu 0.095kN
Velocità limite  16000r/min
Fattore di calcolokr 0.02 
Fattore di calcolof0 14.3 
Massa
Massa cuscinetto  0.016kg