Non ci sono articoli nel tuo carrello
Prodotti
SCHEDA ARTICOLO

61903-2RS1

CUSCINETTO
Codice: 46904
Disponibilità: disponibile
Disponibilità: 551 disponibile
Marca: SKF
Unità di misura: NR
Quantitativi ammessi: multipli di 1X
€13,30

Descrizione

Dimensioni: Foro: 17 mm Diametro: 30 mm Spessore: 7 mm Peso: 0,0167 kg


Dettagli

  • EAN-Code : 07316577121936
  • Taric number : 84821010

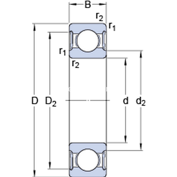
Dimensioni
d 17mm
D 30mm
B 7mm
d219.4mm
D227.7mm
r1,2min.0.3mm
Dimensioni Dello Spallamento
damin.19mm
damax.19.3mm
Damax.28mm
ramax.0.3mm
Dati Di Calcolo
Coefficiente di carico dinamicoC 4.62kN
Coefficiente di carico statico di baseC0 2.55kN
Carico limite di faticaPu 0.108kN
Velocità limite  14000r/min
Fattore di calcolokr 0.02 
Fattore di calcolof0 14.7 
Massa
Massa cuscinetto  0.017kg