Non ci sono articoli nel tuo carrello
Prodotti
SCHEDA ARTICOLO

61917/C3

CUSCINETTO
Codice: 58736
Disponibilità: Non disponibile
Disponibilità: Disponibile
Marca: SKF
Unità di misura: NR
Quantitativi ammessi: multipli di 1X
Da preventivare

Descrizione

Dimensioni: Foro: 85 mm Diametro: 120 mm Spessore: 18 mm Peso: 0,549 kg


Dettagli

  • EAN-Code : 07316576636943
  • Taric number : 84821090

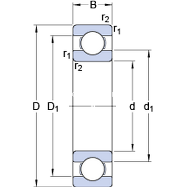
Dimensioni
d 85mm
D 120mm
B 18mm
d196.4mm
D1108.7mm
r1,2min.1.1mm
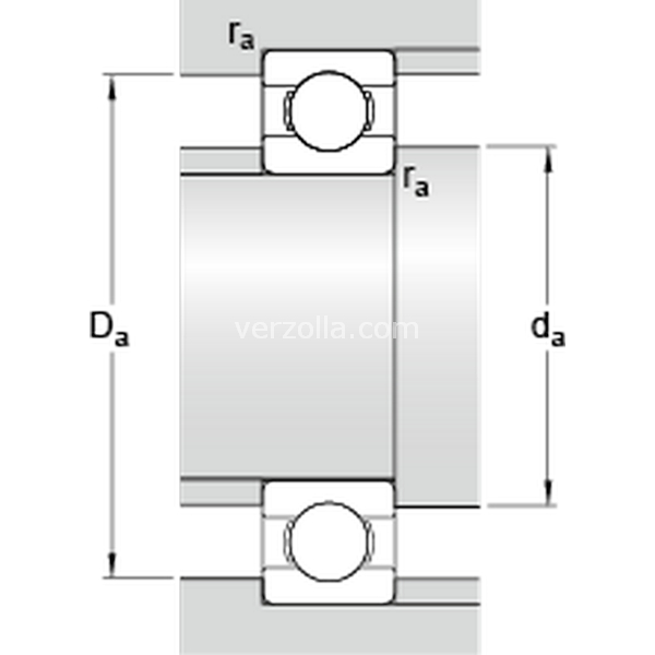
Dimensioni Dello Spallamento
damin.91mm
Damax.114mm
ramax.1mm
Dati Di Calcolo
Coefficiente di carico dinamicoC 31.9kN
Coefficiente di carico statico di baseC0 30kN
Carico limite di faticaPu 1.25kN
Velocità di riferimento  11000r/min
Velocità limite  7000r/min
Fattore di calcolokr 0.02 
Fattore di calcolof0 16.4 
Massa
Massa cuscinetto  0.55kg