Non ci sono articoli nel tuo carrello
Prodotti
SCHEDA ARTICOLO

61918

CUSCINETTO
Codice: 56353
Disponibilità: disponibile
Disponibilità: 7 disponibile
Marca: SKF
Unità di misura: NR
Quantitativi ammessi: multipli di 1X
Da preventivare

Descrizione

Dimensioni: Foro: 90 mm Diametro: 125 mm Spessore: 18 mm


Dettagli

  • EAN-Code : 07316577095077
  • Taric number : 84821090

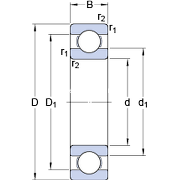
Dimensioni
d 90mm
D 125mm
B 18mm
d1101.4mm
D1113.7mm
r1,2min.1.1mm
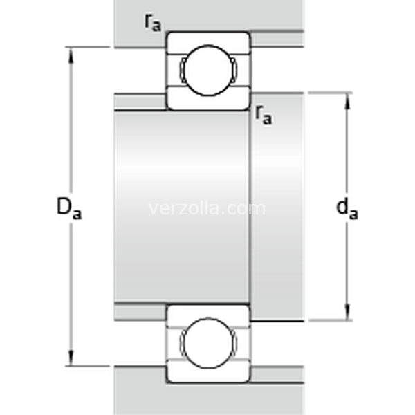
Dimensioni Dello Spallamento
damin.96mm
Damax.119mm
ramax.1mm
Dati Di Calcolo
Coefficiente di carico dinamicoC 33.2kN
Coefficiente di carico statico di baseC0 31.5kN
Carico limite di faticaPu 1.29kN
Velocità di riferimento  11000r/min
Velocità limite  6700r/min
Fattore di calcolokr 0.02 
Fattore di calcolof0 16.5 
Massa
Massa cuscinetto  0.59kg