Non ci sono articoli nel tuo carrello
Prodotti
SCHEDA ARTICOLO

61932 MA/C3

CUSCINETTO
Codice: U7168
Disponibilità: Non disponibile
Disponibilità: Disponibile
Marca: SKF
Unità di misura: NR
Quantitativi ammessi: multipli di 1X
Da preventivare

Descrizione

Dimensioni: Foro: 160 mm Diametro: 220 mm Spessore: 28 mm Peso: 3,232 kg


Dettagli

  • EAN-Code : 07316570228236
  • Taric number : 84821090

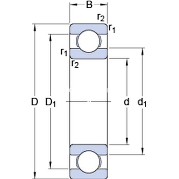
Dimensioni
d 160mm
D 220mm
B 28mm
d1179mm
D1201.7mm
r1,2min.2mm
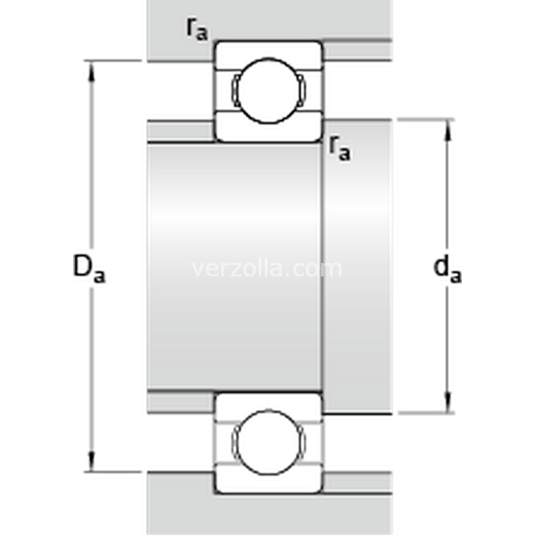
Dimensioni Dello Spallamento
damin.169mm
Damax.211mm
ramax.2mm
Dati Di Calcolo
Coefficiente di carico dinamicoC 92.3kN
Coefficiente di carico statico di baseC0 98kN
Carico limite di faticaPu 3.05kN
Velocità di riferimento  6000r/min
Velocità limite  5000r/min
Fattore di calcolokr 0.02 
Fattore di calcolof0 16.5 
Massa
Massa cuscinetto  3.2kg