Non ci sono articoli nel tuo carrello
Prodotti
SCHEDA ARTICOLO

61936 MA/C3

CUSCINETTO
Codice: D1627
Disponibilità: Disp. limitata
Disponibilità: 2 disponibile
Marca: SKF
Unità di misura: NR
Quantitativi ammessi: multipli di 1X
Da preventivare

Descrizione

Dimensioni: Foro: 180 mm Diametro: 250 mm Spessore: 33 mm Peso: 5,026 kg


Dettagli

  • EAN-Code : 07316570963182
  • Taric number : 84821090

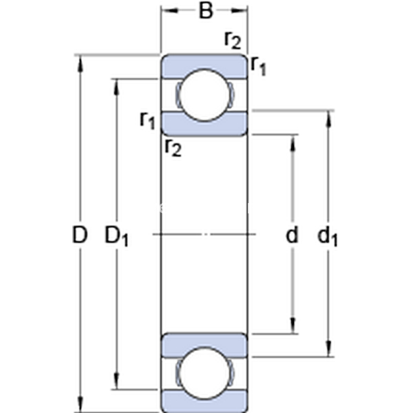
Dimensioni
d 180mm
D 250mm
B 33mm
d1202.6mm
D1228.2mm
r1,2min.2mm
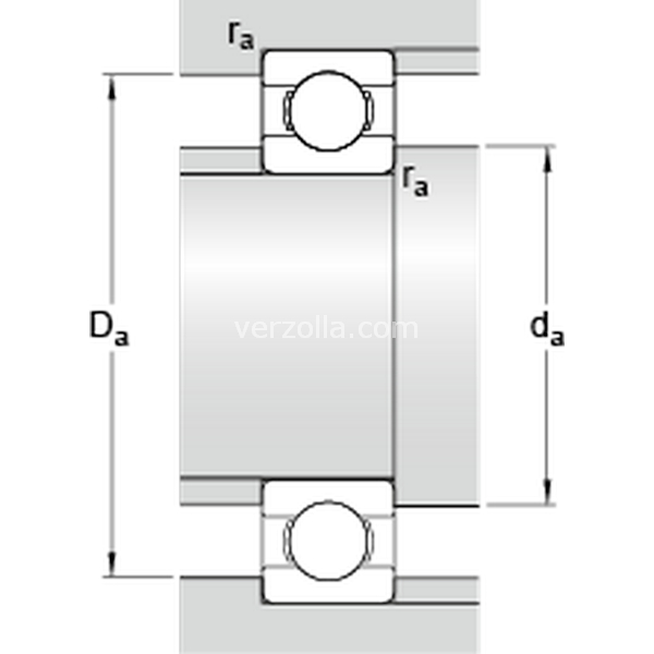
Dimensioni Dello Spallamento
damin.189mm
Damax.241mm
ramax.2mm
Dati Di Calcolo
Coefficiente di carico dinamicoC 119kN
Coefficiente di carico statico di baseC0 134kN
Carico limite di faticaPu 3.9kN
Velocità di riferimento  5300r/min
Velocità limite  4300r/min
Fattore di calcolokr 0.02 
Fattore di calcolof0 16.5 
Massa
Massa cuscinetto  4.99kg