Non ci sono articoli nel tuo carrello
Prodotti
SCHEDA ARTICOLO

61960 MA/C3

CUSCINETTO
Codice: 71981
Disponibilità: Disp. limitata
Disponibilità: 5 disponibile
Marca: SKF
Unità di misura: NR
Quantitativi ammessi: multipli di 1X
Da preventivare

Descrizione

Dimensioni: Foro: 300 mm Diametro: 420 mm Spessore: 56 mm Peso: 24,55 kg


Dettagli

  • EAN-Code : 07316570849363
  • Taric number : 84821090

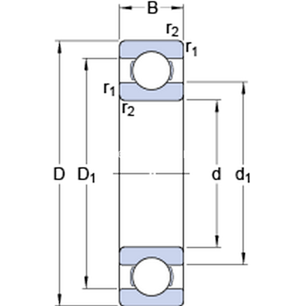
Dimensioni
d 300mm
D 420mm
B 56mm
d1338.1mm
D1383.4mm
r1,2min.3mm
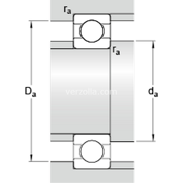
Dimensioni Dello Spallamento
damin.313mm
Damax.407mm
ramax.2.5mm
Dati Di Calcolo
Coefficiente di carico dinamicoC 270kN
Coefficiente di carico statico di baseC0 375kN
Carico limite di faticaPu 8.3kN
Velocità di riferimento  3000r/min
Velocità limite  2400r/min
Fattore di calcolokr 0.02 
Fattore di calcolof0 16.4 
Massa
Massa cuscinetto  24.3kg