Non ci sono articoli nel tuo carrello
Prodotti
SCHEDA ARTICOLO

61980 MA/C3

CUSCINETTO
Codice: S6047
Disponibilità: Non disponibile
Disponibilità: Disponibile
Marca: SKF
Unità di misura: NR
Quantitativi ammessi: multipli di 1X
Da preventivare

Descrizione

Dimensioni: Foro: 400 mm Diametro: 540 mm Spessore: 65 mm


Dettagli

  • EAN-Code : 07316571037462
  • Taric number : 84821090

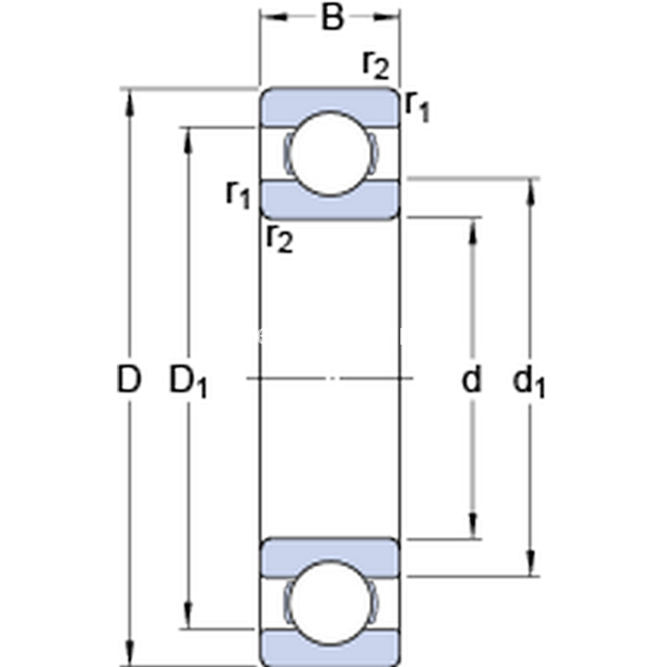
Dimensioni
d 400mm
D 540mm
B 65mm
d1445.2mm
D1495.96mm
r1,2min.4mm
Dimensioni Dello Spallamento
damin.415mm
Damax.525mm
ramax.3mm
Dati Di Calcolo
Coefficiente di carico dinamicoC 345kN
Coefficiente di carico statico di baseC0 570kN
Carico limite di faticaPu 11.2kN
Velocità di riferimento  2200r/min
Velocità limite  1800r/min
Fattore di calcolokr 0.02 
Fattore di calcolof0 17 
Massa
Massa cuscinetto  41.5kg