Non ci sono articoli nel tuo carrello
Prodotti
SCHEDA ARTICOLO

6200/C3

CUSCINETTO
Codice: 60186
Disponibilità: disponibile
Disponibilità: 117 disponibile
Marca: SKF
Unità di misura: NR
Quantitativi ammessi: multipli di 1X
€2,47

Descrizione

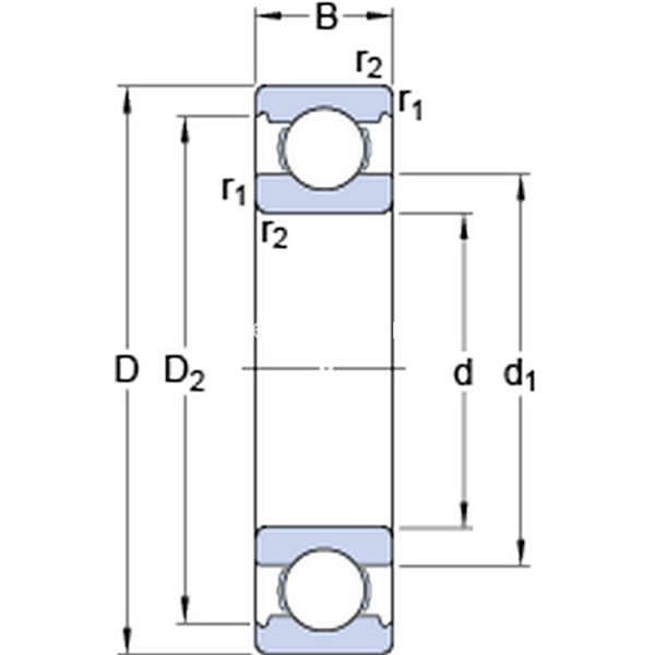
Dimensioni: Foro: 10 mm Diametro: 30 mm Spessore: 9 mm Peso: 0,0312 kg


Dettagli

  • EAN-Code : 07316571367071
  • Taric number : 84821010

Dimensioni
d 10mm
D 30mm
B 9mm
d117mm
D224.72mm
Dimensioni Dello Spallamento
damin.14.2mm
Damax.25.8mm
ramax.0.6mm
Dati Di Calcolo
Coefficiente di carico dinamicoC 5.4kN
Coefficiente di carico statico di baseC0 2.36kN
Carico limite di faticaPu 0.1kN
Velocità di riferimento  56000r/min
Velocità limite  36000r/min
Fattore di calcolokr 0.025 
Fattore di calcolof0 13 
Massa
Massa cuscinetto  0.031kg