Non ci sono articoli nel tuo carrello
Prodotti
SCHEDA ARTICOLO

6202-Z

CUSCINETTO
Codice: 30044
Disponibilità: disponibile
Disponibilità: 58 disponibile
Marca: SKF
Unità di misura: NR
Quantitativi ammessi: multipli di 1X
Da preventivare

Descrizione

Dimensioni: Foro: 15 mm Diametro: 35 mm Spessore: 11 mm Peso: 0,0435 kg


Dettagli

  • EAN-Code : 07316577090027
  • Taric number : 84821090

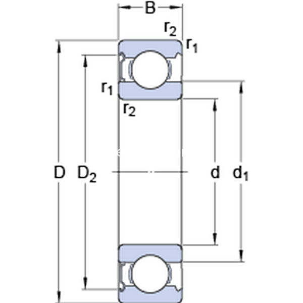
Dimensioni
d 15mm
D 35mm
B 11mm
d121.7mm
D230.5mm
r1,2min.0.6mm
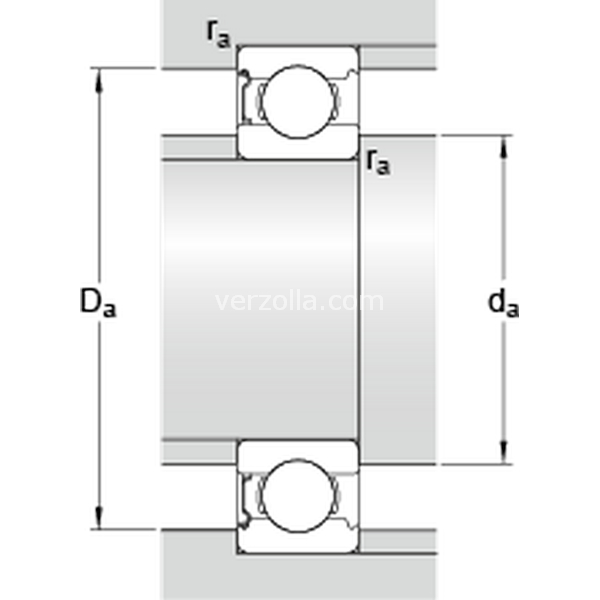
Dimensioni Dello Spallamento
damin.19.2mm
damax.21.6mm
Damax.30.8mm
ramax.0.6mm
Dati Di Calcolo
Coefficiente di carico dinamicoC 8.06kN
Coefficiente di carico statico di baseC0 3.75kN
Carico limite di faticaPu 0.16kN
Velocità di riferimento  43000r/min
Velocità limite  28000r/min
Fattore di calcolokr 0.025 
Fattore di calcolof0 13 
Massa
Massa cuscinetto  0.046kg