Non ci sono articoli nel tuo carrello
Prodotti
SCHEDA ARTICOLO

6203-2RSH/C3

CUSCINETTO
Codice: 20657
Disponibilità: disponibile
Disponibilità: 926 disponibile
Marca: SKF
Unità di misura: NR
Quantitativi ammessi: multipli di 1X
€4,07

Descrizione

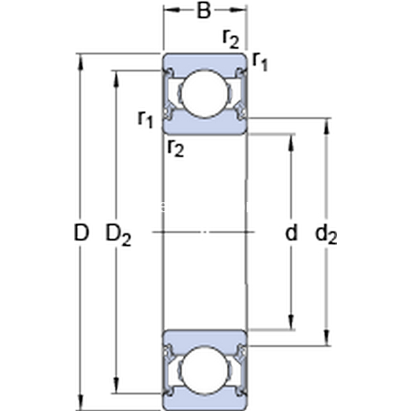
Dimensioni: Foro: 17 mm Diametro: 40 mm Spessore: 12 mm


Dettagli

  • EAN-Code : 07316571855899
  • Taric number : 84821090

Dimensioni
d 17mm
D 40mm
B 12mm
d221.75mm
D234.98mm
Dimensioni Dello Spallamento
damin.21.2mm
damax.22mm
Damax.35.8mm
ramax.0.6mm
Dati Di Calcolo
Coefficiente di carico dinamicoC 9.95kN
Coefficiente di carico statico di baseC0 4.75kN
Carico limite di faticaPu 0.2kN
Velocità limite  12000r/min
Fattore di calcolokr 0.025 
Fattore di calcolof0 13 
Massa
Massa cuscinetto  0.067kg