Non ci sono articoli nel tuo carrello
Prodotti
SCHEDA ARTICOLO

6203-2RSH/C3GJN

CUSCINETTO
Codice: T2243
Disponibilità: Non disponibile
Disponibilità: Disponibile
Marca: SKF
Unità di misura: NR
Quantitativi ammessi: multipli di 1X
Da preventivare

Descrizione

Dimensioni: Foro: 17 mm Diametro: 40 mm Spessore: 12 mm Peso: 0,0651 kg


Dettagli

  • EAN-Code : 07316571856070
  • Taric number : 84821090

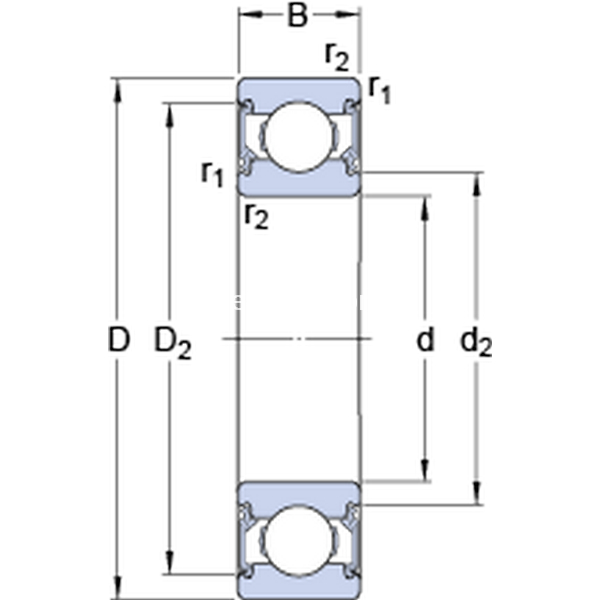
Dimensioni
d 17mm
D 40mm
B 12mm
d221.75mm
D234.98mm
Dimensioni Dello Spallamento
damin.21.2mm
damax.22mm
Damax.35.8mm
ramax.0.6mm
Dati Di Calcolo
Coefficiente di carico dinamicoC 9.95kN
Coefficiente di carico statico di baseC0 4.75kN
Carico limite di faticaPu 0.2kN
Velocità limite  12000r/min
Fattore di calcolokr 0.025 
Fattore di calcolof0 13 
Massa
Massa cuscinetto  0.067kg