Non ci sono articoli nel tuo carrello
Prodotti
SCHEDA ARTICOLO

6203-2ZNR

CUSCINETTO
Codice: 00452
Disponibilità: Disp. limitata
Disponibilità: 3 disponibile
Marca: SKF
Unità di misura: NR
Quantitativi ammessi: multipli di 1X
€9,72

Descrizione

Dimensioni: Foro: 17 mm Diametro: 40 mm Spessore: 12 mm


Dettagli

  • EAN-Code : 07316570958133
  • Taric number : 84821090

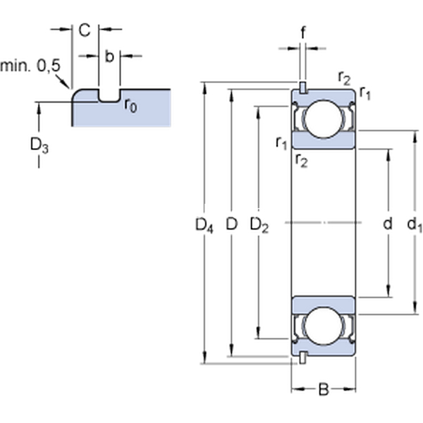
Dimensioni
d 17mm
D 40mm
B 12mm
d124.5mm
D234.98mm
D3 38.1mm
D4 44.6mm
b 1.35mm
C 2.06mm
f 1.12mm
r0max.0.4mm
r1,2min.0.6mm
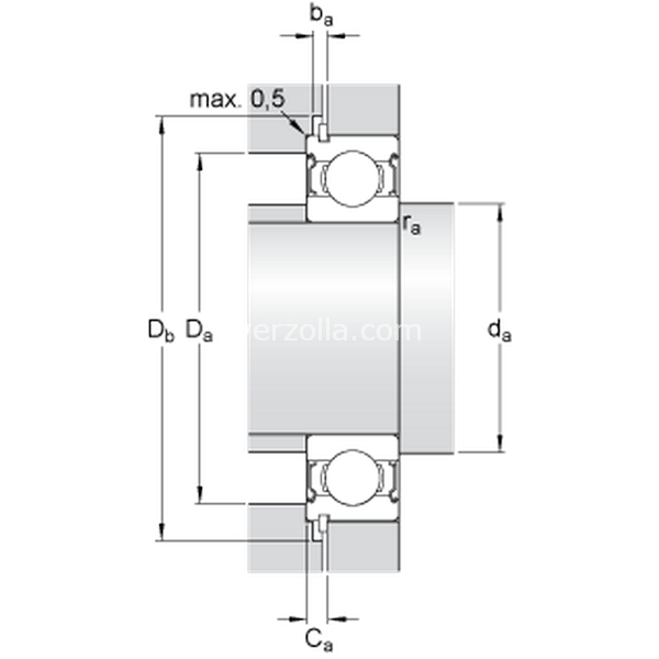
Dimensioni Dello Spallamento
damin.21.2mm
damax.24.4mm
Damax.35.8mm
Dbmin.46mm
bamin.1.5mm
Camax.3.18mm
ramax.0.6mm
Dati Di Calcolo
Coefficiente di carico dinamicoC 9.95kN
Coefficiente di carico statico di baseC0 4.75kN
Carico limite di faticaPu 0.2kN
Velocità di riferimento  38000r/min
Velocità limite  19000r/min
Fattore di calcolokr 0.025 
Fattore di calcolof0 13 
Massa
Massa cuscinetto  0.065kg
Prodotti Appropriati
Anello di ancoraggio  SP 40