Non ci sono articoli nel tuo carrello
Prodotti
SCHEDA ARTICOLO

6204/C5

CUSCINETTO
Codice: 35128
Disponibilità: disponibile
Disponibilità: 12 disponibile
Marca: SKF
Unità di misura: NR
Quantitativi ammessi: multipli di 1X
Da preventivare

Descrizione

Dimensioni: Foro: 20 mm Diametro: 47 mm Spessore: 14 mm Peso: 0,1022 kg


Dettagli

  • EAN-Code : 07316576630217
  • Taric number : 84821090

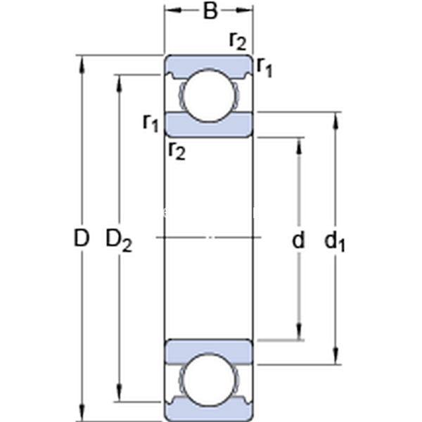
Dimensioni
d 20mm
D 47mm
B 14mm
d128.8mm
D240.59mm
r1,2min.1mm
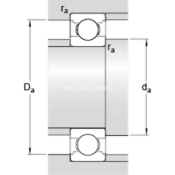
Dimensioni Dello Spallamento
damin.25.6mm
Damax.41.4mm
ramax.1mm
Dati Di Calcolo
Coefficiente di carico dinamicoC 13.5kN
Coefficiente di carico statico di baseC0 6.55kN
Carico limite di faticaPu 0.28kN
Velocità di riferimento  32000r/min
Velocità limite  20000r/min
Fattore di calcolokr 0.025 
Fattore di calcolof0 13 
Massa
Massa cuscinetto  0.1kg