Non ci sono articoli nel tuo carrello
Prodotti
SCHEDA ARTICOLO

6205/C4

CUSCINETTO
Codice: 71136
Disponibilità: Disp. limitata
Disponibilità: 3 disponibile
Marca: SKF
Unità di misura: NR
Quantitativi ammessi: multipli di 1X
Da preventivare

Descrizione

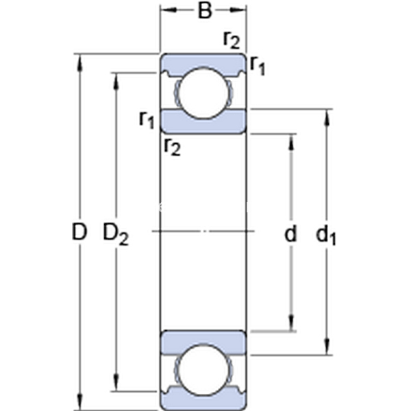
Dimensioni: Foro: 25 mm Diametro: 52 mm Spessore: 15 mm Peso: 0,1248 kg


Dettagli

  • EAN-Code : 07316577737410
  • Taric number : 84821090

Dimensioni
d 25mm
D 52mm
B 15mm
d134.35mm
D246.21mm
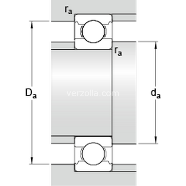
Dimensioni Dello Spallamento
damin.30.6mm
Damax.46.4mm
ramax.1mm
Dati Di Calcolo
Coefficiente di carico dinamicoC 14.8kN
Coefficiente di carico statico di baseC0 7.8kN
Carico limite di faticaPu 0.335kN
Velocità di riferimento  28000r/min
Velocità limite  18000r/min
Fattore di calcolokr 0.025 
Fattore di calcolof0 14 
Massa
Massa cuscinetto  0.13kg